Honda 500 CX BY Saucisse Garage
Modérateurs : Modo-Mecano's, The staff
- antonknees
- CXMen Master

- Messages : 112
- Enregistré le : mer. 03 nov. 2021 21:30
- Localisation : Haute savoie
Re: Honda 500 CX BY Saucisse Garage
Ensuite j’y ai rapporté mon gabarit
On s’intéresse au tube maintenant, j’ai choisi du 25 x 2mm, je l’ai rempli avec du sable, attention le chois du sable est important, il faut qu’il vienne de l’hémisphère sud, qu’il contienne au moins 80% de silice et qu’il ait été cultivé à au moins 3000m d’altitude.
Non en vrais on s’en tape, il faut juste qu’il soit suffisamment fin et sec. Quelques renforts supplémentaires, on règle le chalumeau et on se prépare au cintrage. Je n’ai pas de poste oxy-acétylene mais un poste oxygène-kyrène, c’est très limite pour du cintrage, mais en ouvrant le kyrène au max on arrive à s’en sortir.
Non en vrais on s’en tape, il faut juste qu’il soit suffisamment fin et sec. Quelques renforts supplémentaires, on règle le chalumeau et on se prépare au cintrage. Je n’ai pas de poste oxy-acétylene mais un poste oxygène-kyrène, c’est très limite pour du cintrage, mais en ouvrant le kyrène au max on arrive à s’en sortir.
- antonknees
- CXMen Master

- Messages : 112
- Enregistré le : mer. 03 nov. 2021 21:30
- Localisation : Haute savoie
Re: Honda 500 CX BY Saucisse Garage
Le résultat :
- antonknees
- CXMen Master

- Messages : 112
- Enregistré le : mer. 03 nov. 2021 21:30
- Localisation : Haute savoie
Re: Honda 500 CX BY Saucisse Garage
Un petit coup dans l’autre sens
- antonknees
- CXMen Master

- Messages : 112
- Enregistré le : mer. 03 nov. 2021 21:30
- Localisation : Haute savoie
Re: Honda 500 CX BY Saucisse Garage
Et ça colle à peu près bien
La suite viendra vite.
- Volatyl
- Volatyl - Admin
- Messages : 9336
- Enregistré le : jeu. 24 janv. 2008 07:17
- Localisation : CUVERGNON (60)
- Contact :
Re: Honda 500 CX BY Saucisse Garage
Je croyais que le sable devant venir exclusivement du bassin d'Arcachon ou à la limite de la dune du Pilat
Très beau travail vivement la suite
Très beau travail vivement la suite
-
natteo72
- CXMen Master

- Messages : 166
- Enregistré le : mar. 17 févr. 2009 23:18
- Localisation : LE MANS
Re: Honda 500 CX BY Saucisse Garage
Ah ouais elle est sympa cette selle
Bons débuts en tout cas ça fait revivre cette section du forum
Bons débuts en tout cas ça fait revivre cette section du forum
- lahaye
- CXMen Master

- Messages : 724
- Enregistré le : ven. 17 déc. 2010 15:51
- Localisation : Nancy sud-est
Re: Honda 500 CX BY Saucisse Garage
Joli boulot, même si je trouve que l'on surfe un peu trop sur la vague néo rétro (mais c'est perso): y a du bô taf!
Et il a le mérite de relancer un peu les bidouilles cxienes!
Ton compte rendu sur l'allumage Dev moto me conforte dans l'acquisition d'un pour mon projet..
Et il a le mérite de relancer un peu les bidouilles cxienes!
Ton compte rendu sur l'allumage Dev moto me conforte dans l'acquisition d'un pour mon projet..
Mieux vaut 100% de 50cv que 50% de 100 cv!
Faut pas confondre: Piéces détachées adaptables & piéces adaptées détachables!
Allez jusqu'au bout de vos idées. Même si vous échouez, il en restera toujours quelque chose.... (S. HONDA)
La différence entre les enfants et les hommes: le prix de leur jouets (M. FORBES)
Light is right! (C. CHAPMAN)
Faut pas confondre: Piéces détachées adaptables & piéces adaptées détachables!
Allez jusqu'au bout de vos idées. Même si vous échouez, il en restera toujours quelque chose.... (S. HONDA)
La différence entre les enfants et les hommes: le prix de leur jouets (M. FORBES)
Light is right! (C. CHAPMAN)
Re: Honda 500 CX BY Saucisse Garage
Super boulot !!!
Etudié et d'une rapidité....
bam mon vieux, il a déjà le feu aux fesses l'engin!!!!
Par contre je veux pas jouer le corbeau, mais nous n'avons jamais été aussi près de
prendre un contrôle technique sur nos chiniolles...
et TU N'AS PAS DE PAPIER???

Dans tous les cas on sent qu'il y a de l'équipement dans l'garage et que tu sais très bien où tu veux arriver,
donc je plante la tente, je déplie le transat, je m'installe avec des bières et des chip......
et j'attends la suite...

Etudié et d'une rapidité....
Par contre je veux pas jouer le corbeau, mais nous n'avons jamais été aussi près de
prendre un contrôle technique sur nos chiniolles...
et TU N'AS PAS DE PAPIER???
Dans tous les cas on sent qu'il y a de l'équipement dans l'garage et que tu sais très bien où tu veux arriver,
donc je plante la tente, je déplie le transat, je m'installe avec des bières et des chip......
et j'attends la suite...
un con qui marche, ira toujours plus loin qu'un intellectuel assis!!!!
Re: Honda 500 CX BY Saucisse Garage
Je constate que tes compétences techniques n'ont d'égal que tes talents littéraires et humoristiques !
J'ai noté que tu avais l'intention de monter des pièces de provenances diverses et je me demandais si de quoi garnir tes
guidons bracelets pourrait t'être utile.
Moi, ça me rendrait bien service si tu pouvais me débarrasser de ça : https://www.leboncoin.fr/equipement_moto/2060351500.htm
Bien sûr, à un prix hondacx.com, c'est à dire entre moins que rien et pas grand chose...
J'ai noté que tu avais l'intention de monter des pièces de provenances diverses et je me demandais si de quoi garnir tes
guidons bracelets pourrait t'être utile.
Moi, ça me rendrait bien service si tu pouvais me débarrasser de ça : https://www.leboncoin.fr/equipement_moto/2060351500.htm
Bien sûr, à un prix hondacx.com, c'est à dire entre moins que rien et pas grand chose...
CX 400 (1982) Yamaha Thundercat (2003) Triumph Daytona (2024) Motoconfort 40 (1970) PeugeotZeus (2008) Patinette (1952)
- antonknees
- CXMen Master

- Messages : 112
- Enregistré le : mer. 03 nov. 2021 21:30
- Localisation : Haute savoie
Re: Honda 500 CX BY Saucisse Garage
Bonsoir à tous, merci pour vos réponses, ça fait plaisir de voir que mon projet intéresse.

Oui le style néo rétro a la cote depuis pas mal d'années c'est vrais, mais c'est un style de brèle qui a du charme il faut bien l'avouer. Et puis c'est avant tous l'idée de créer, d'imaginer et de faire sois même qui plaît.lahaye a écrit : ↑lun. 08 nov. 2021 14:11 Joli boulot, même si je trouve que l'on surfe un peu trop sur la vague néo rétro (mais c'est perso): y a du bô taf!
Et il a le mérite de relancer un peu les bidouilles cxienes!
Ton compte rendu sur l'allumage Dev moto me conforte dans l'acquisition d'un pour mon projet..
Merci à toi yo-land, au sujet des papiers, c'est déjà réglé, c'est la première chose que j'ai cherché à faire depuis l'achat au moi de mars 2021. Un bon parcours du combattant, je suis pas sur que je donnerai les détails et la méthode iciyo-land a écrit : ↑lun. 08 nov. 2021 16:53 Super boulot !!!![]()
![]()
![]()
![]()
Etudié et d'une rapidité....bam mon vieux, il a déjà le feu aux fesses l'engin!!!!
Par contre je veux pas jouer le corbeau, mais nous n'avons jamais été aussi près de
prendre un contrôle technique sur nos chiniolles...![]()
![]()
et TU N'AS PAS DE PAPIER???![]()
Dans tous les cas on sent qu'il y a de l'équipement dans l'garage et que tu sais très bien où tu veux arriver,
donc je plante la tente, je déplie le transat, je m'installe avec des bières et des chip......
et j'attends la suite...
![]()
- antonknees
- CXMen Master

- Messages : 112
- Enregistré le : mer. 03 nov. 2021 21:30
- Localisation : Haute savoie
Re: Honda 500 CX BY Saucisse Garage
Aller on reprend direct avec un tout autre sujet, la roue arrière.
L’objectif est donc d’avoir une jante en 17 ‘’ pouces à rayons avec frein à disque. ET pour ça, la première idée était de commander le moyeu chez les ricains de Cognito Moto. Oui mais voilà, ça fait quand même 530€ le presse papier en alu sans compter les frais de port et j’ai déjà une patte de montage pour l’étrier. En plus, impossible d’avoir les cotes de la pièce avant de commander, l’axe longitudinal de la roue se trouve il au même endroit ou le déport est-il plus important ?
Et puis il faut bien que je conçoive 2 ou trois trucs sur cette brèle sinon ça va être finit trop vite.
L’objectif est donc d’avoir une jante en 17 ‘’ pouces à rayons avec frein à disque. ET pour ça, la première idée était de commander le moyeu chez les ricains de Cognito Moto. Oui mais voilà, ça fait quand même 530€ le presse papier en alu sans compter les frais de port et j’ai déjà une patte de montage pour l’étrier. En plus, impossible d’avoir les cotes de la pièce avant de commander, l’axe longitudinal de la roue se trouve il au même endroit ou le déport est-il plus important ?
Et puis il faut bien que je conçoive 2 ou trois trucs sur cette brèle sinon ça va être finit trop vite.
- antonknees
- CXMen Master

- Messages : 112
- Enregistré le : mer. 03 nov. 2021 21:30
- Localisation : Haute savoie
Re: Honda 500 CX BY Saucisse Garage
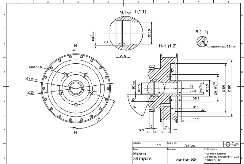
Alors voilà, l’idée retenu a été de redessiner l’assemblage de la roue arrière afin de faire usiner le moyeu.
Esquisse du moyeu made in moi Moyeu à usiner
Esquisse du moyeu made in moi Moyeu à usiner
- antonknees
- CXMen Master

- Messages : 112
- Enregistré le : mer. 03 nov. 2021 21:30
- Localisation : Haute savoie
Re: Honda 500 CX BY Saucisse Garage
Assemblage roue complète
Oui j’ai pas ajouté tous les rayons, tu vas faire quoi ?
La vue en coupe pour bien comprendre J’ai dessiné ce moyeu de façon à ce que l’axe longitudinal de la roue soit placé exactement au même endroit qu’avant, le fameux déport sacré sur la droite commun à tous CX sera donc conservé.
La vue en coupe pour bien comprendre J’ai dessiné ce moyeu de façon à ce que l’axe longitudinal de la roue soit placé exactement au même endroit qu’avant, le fameux déport sacré sur la droite commun à tous CX sera donc conservé.
- antonknees
- CXMen Master

- Messages : 112
- Enregistré le : mer. 03 nov. 2021 21:30
- Localisation : Haute savoie
Re: Honda 500 CX BY Saucisse Garage
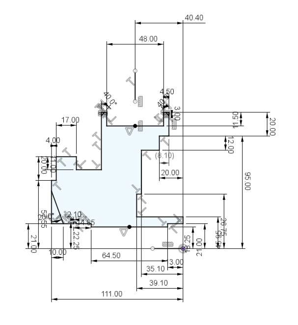
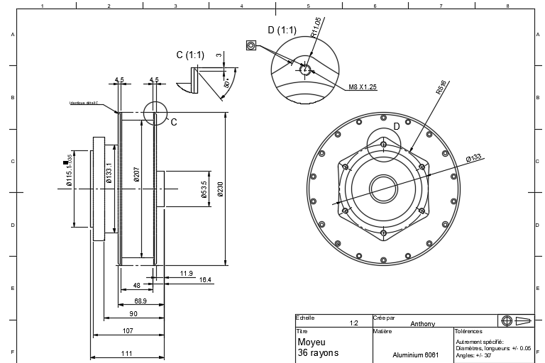
Mise en plan
- antonknees
- CXMen Master

- Messages : 112
- Enregistré le : mer. 03 nov. 2021 21:30
- Localisation : Haute savoie
Re: Honda 500 CX BY Saucisse Garage
Dans le but de ne pas avoir à faire deux fois le don d’un rein pour usiner cette pièce, j’ai d’abord imprimé un proto.
Voilà, à ce stade il restait plus qu’à trouver un usineur qui me face ça sans m’amputer du budget resto des 25 prochaines années.
Et pour un total de 300€ j’ai pu faire usiner ce moyeu en alu 7075.
Le résultat :
Et pour un total de 300€ j’ai pu faire usiner ce moyeu en alu 7075.
Le résultat :
